野火电子论坛

 找回密码
 注册

QQ登录

只需一步,快速开始

查看: 11228|回复: 0

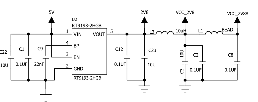
求助:关于野火OV5640摄像头电路的问题

[复制链接]
发表于 2018-4-5 00:05:27 | 显示全部楼层 |阅读模式
请问图中的L1 BEAD也是10UH吗?
360截图16440814116159.png
回复

使用道具 举报

您需要登录后才可以回帖 登录 | 注册

本版积分规则

联系站长|手机版|野火电子官网|野火淘宝店铺|野火电子论坛 ( 粤ICP备14069197号 ) 大学生ARM嵌入式2群

GMT+8, 2026-4-20 06:31 , Processed in 0.041982 second(s), 27 queries , Gzip On.

Powered by Discuz! X3.4

Copyright © 2001-2021, Tencent Cloud.

快速回复 返回顶部 返回列表