野火电子论坛

 找回密码
 注册

QQ登录

只需一步,快速开始

查看: 15684|回复: 2

ILI9341模块

[复制链接]
发表于 2018-5-5 20:59:14 | 显示全部楼层 |阅读模式
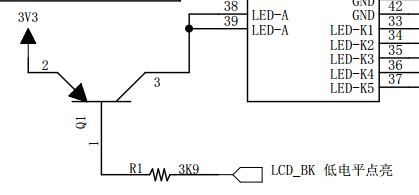
请问火哥,这个LED-A最后连接在哪了?是一个单独的背光灯还是ILI9341的引脚?
模块疑问.png
回复

使用道具 举报

发表于 2018-5-7 08:50:50 | 显示全部楼层
连接到液晶屏内部的LED灯
回复 支持 反对

使用道具 举报

 楼主| 发表于 2018-5-9 15:13:40 | 显示全部楼层
flyleaf 发表于 2018-5-7 08:50
连接到液晶屏内部的LED灯

好的,谢谢啦
回复 支持 反对

使用道具 举报

您需要登录后才可以回帖 登录 | 注册

本版积分规则

联系站长|手机版|野火电子官网|野火淘宝店铺|野火电子论坛 ( 粤ICP备14069197号 ) 大学生ARM嵌入式2群

GMT+8, 2026-3-15 02:06 , Processed in 0.042985 second(s), 27 queries , Gzip On.

Powered by Discuz! X3.4

Copyright © 2001-2021, Tencent Cloud.

快速回复 返回顶部 返回列表