野火电子论坛

 找回密码
 注册

QQ登录

只需一步,快速开始

查看: 19421|回复: 7

STM32F1系列内程序移植问题

[复制链接]
发表于 2018-9-13 11:50:46 | 显示全部楼层 |阅读模式
我把STM32F103VE开发板的程序烧到STM32F103RC开发板,keil里面是不是只修改一下芯片选型就行了???其他地方不用修改吧?
回复

使用道具 举报

发表于 2018-9-13 14:29:29 | 显示全部楼层
芯片型号、启动文件、宏,对比一下我们指南者和mini板子的例程
回复 支持 反对

使用道具 举报

 楼主| 发表于 2018-9-13 14:52:07 | 显示全部楼层
flyleaf 发表于 2018-9-13 14:29
芯片型号、启动文件、宏,对比一下我们指南者和mini板子的例程

芯片型号修改了,启动文件应该都是strat_stm32f10x_hd.s吧?VE和RC都是大容量产品,另外在C/C++选项卡里“STM32F10X_HD, USE_STDPERIPH_DRIVER”这两个应该也不用改吧?
回复 支持 反对

使用道具 举报

发表于 2018-9-13 15:36:21 | 显示全部楼层
chenbao 发表于 2018-9-13 14:52
芯片型号修改了,启动文件应该都是strat_stm32f10x_hd.s吧?VE和RC都是大容量产品,另外在C/C++选项卡里 ...

是哦,也是大容量,没有要改的了
回复 支持 反对

使用道具 举报

 楼主| 发表于 2018-9-13 16:05:27 | 显示全部楼层
flyleaf 发表于 2018-9-13 15:36
是哦,也是大容量,没有要改的了

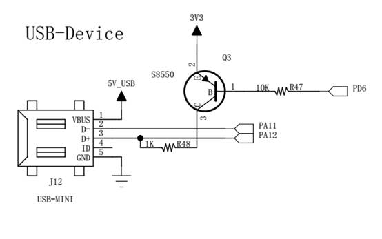
我是用的103VET6的USB模拟U盘例程,烧写到103RCT6最小系统板,去跑USB模拟U盘的程序,103RC没有PD6口,我把这个改成PA的一个IO口了。要实现USB设备,图上的这个PD6给D+上拉的电路及软件代码是不是必须得有啊?
image002.jpg
回复 支持 反对

使用道具 举报

发表于 2018-9-13 16:39:18 | 显示全部楼层
chenbao 发表于 2018-9-13 16:05
我是用的103VET6的USB模拟U盘例程,烧写到103RCT6最小系统板,去跑USB模拟U盘的程序,103RC没有PD6口,我 ...

是的,要有上拉,任意一个IO口都可以
回复 支持 反对

使用道具 举报

 楼主| 发表于 2018-9-13 17:20:54 | 显示全部楼层
flyleaf 发表于 2018-9-13 16:39
是的,要有上拉,任意一个IO口都可以

嗯,没用三极管去驱动,直接IO口接一个1K电阻到D+,可以吗?

另外,130VET6的USB例程中的USB驱动代码兼容所有103系列芯片吗?
回复 支持 反对

使用道具 举报

 楼主| 发表于 2018-9-13 17:59:00 来自手机 | 显示全部楼层
flyleaf 发表于 2018-9-13 16:39
是的,要有上拉,任意一个IO口都可以

有时出现USB设备无法识别,直接用3.3V加一个1.5K上拉电阻到D+可以吗?
回复 支持 反对

使用道具 举报

您需要登录后才可以回帖 登录 | 注册

本版积分规则

联系站长|手机版|野火电子官网|野火淘宝店铺|野火电子论坛 ( 粤ICP备14069197号 ) 大学生ARM嵌入式2群

GMT+8, 2026-3-17 02:18 , Processed in 0.041055 second(s), 26 queries , Gzip On.

Powered by Discuz! X3.4

Copyright © 2001-2021, Tencent Cloud.

快速回复 返回顶部 返回列表