野火电子论坛

 找回密码
 注册

QQ登录

只需一步,快速开始

查看: 13816|回复: 1

STM32F429 AHB1 AHB2 AHB3

[复制链接]
发表于 2019-6-25 22:58:26 | 显示全部楼层 |阅读模式
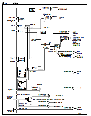
在stm32F4 系列的时钟树上面 没有找到AHB1 AHB2 AHB3 代表的时钟,只有一个AHB,为什么有的是GPIO或者其他外设挂载到AHB1 AHB2 AHB3上 是什么意思

时钟树

时钟树

外设挂载时钟

外设挂载时钟
回复

使用道具 举报

发表于 2019-6-26 10:31:30 | 显示全部楼层
1.png 看看这图是不是简洁明了
回复 支持 反对

使用道具 举报

您需要登录后才可以回帖 登录 | 注册

本版积分规则

联系站长|手机版|野火电子官网|野火淘宝店铺|野火电子论坛 ( 粤ICP备14069197号 ) 大学生ARM嵌入式2群

GMT+8, 2026-5-11 06:31 , Processed in 0.041617 second(s), 27 queries , Gzip On.

Powered by Discuz! X3.4

Copyright © 2001-2021, Tencent Cloud.

快速回复 返回顶部 返回列表